人を幸せにする人になろう

ことのついでに

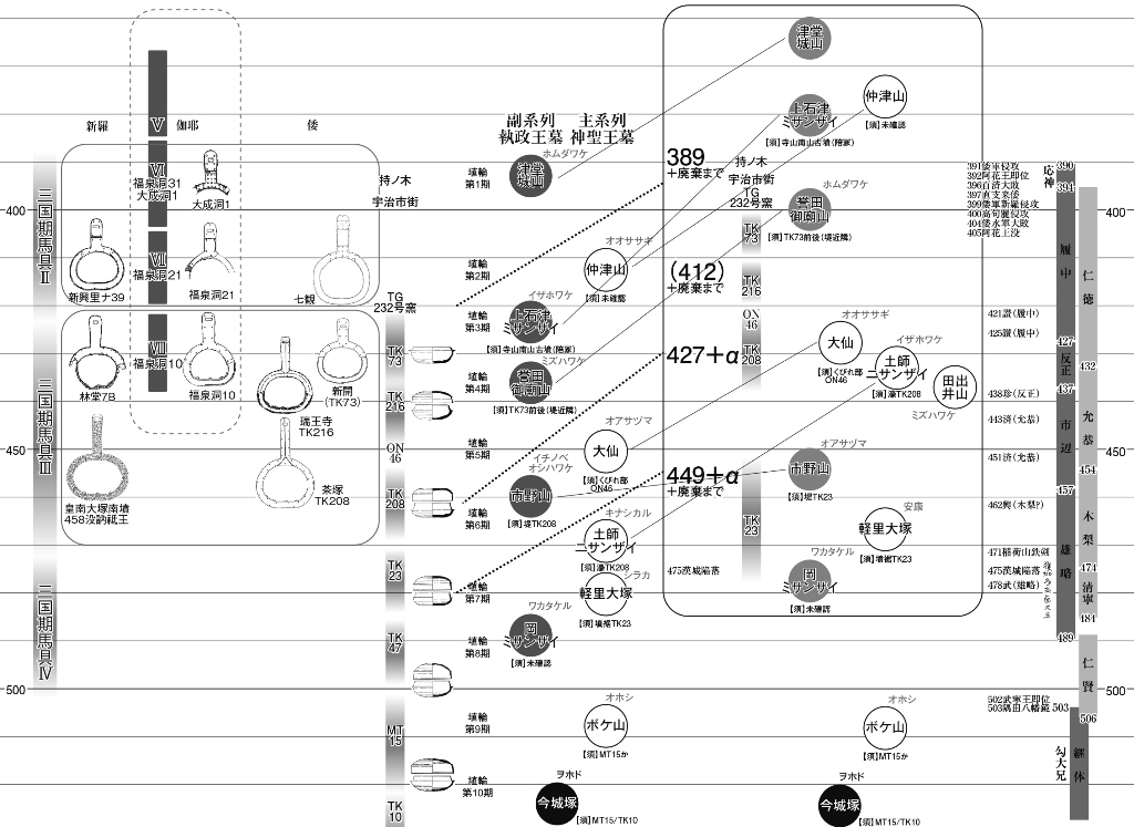
◆陵墓本とこの季刊考古学の間に、『考古学ジャーナル』が出た。これもまあ、制度化してないの で、コピーを送っていない。こうしてブログで公表する程度。そのなかで作った図を示しておきます。土師ニサンザイの年輪年代が困ったものだというもの。この年代観にもとづくNさんの被葬者論はこんなんになる、というのを示したものです。
◆Sさんから、昨年、この年輪年代データによって、あんたのは間違っているという指摘をもらっている。まあ、生きているうちに結果がわかるかどうかは???。
◆どうしたら決まるんですね。決まらないまでも、大成洞など、4世紀代の韓国の墳墓資料を整序して上限を、と前から思ってはいるが、できてません。津堂城山古墳の盛土の年代が光ルミネッセンスで決まらないかな~、と前からカミさんと話はしているのですが。
◆ひとつ告白。自分の被葬者論のなかで、ひとつ気になること。白鳥陵が軽墓とよばれているのがず~と気になってます。キナシカルノミコ、かもと。
◆さて、明日の授業の資料は印刷までしたので、8月の発表資料に取りかかろう。9日〆切を12日にのばしてもらったが、まだできていない・・・。

プラグイン

カレンダー

10 2025/11 12
S M T W T F S
1
2 3 4 6 7
9 12 13 14 15
16 18 20 21 22
24 25 27 28 29
30

カテゴリー

フリーエリア

最新コメント

最新トラックバック

プロフィール

HN:
雲楽
年齢:
61
性別:
男性
誕生日:
1964/03/22
職業:
大学教員
自己紹介:
兵庫県加古川市生まれ。高校時代に考古学を志す。京都大学に学び、その後、奈良国立文化財研究所勤務。文化庁記念物課を経て、現在、大阪の大学教員やってます。血液型A型。大阪府柏原市在住。

バーコード

ブログ内検索